Meniu

0

0 RON

MOTAQUIP Cilindru receptor frana VWC581

Producator
MOTAQUIP
MOTAQUIP
Produs
Cilindru receptor frana VWC581
Disponibilitate
In stoc furnizor
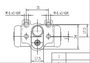
Alezaj-? [mm] 19,05
Producator Cod OEM
HONDA 43300SR3003
# Titlu Motorizare An inceput constructie An sfarsit constructie KW CP Combustibil
1 HONDA ACCORD Mk IV (CB) 2.0 16V (CB3) motor pe benzina 1990 1993 81 110 benzina
2 HONDA ACCORD Mk IV (CB) 2.0 i 16V (CB3) motor pe benzina 1990 1993 98 133 benzina
3 HONDA ACCORD Mk IV (CB) 2.2 i 16V (CB7) motor pe benzina 1990 1993 110 150 benzina
4 HONDA CIVIC Mk III hatchback (EC, ED, EE) 1.3 (EC8) motor pe benzina 1987 1989 55 75 benzina
5 HONDA CIVIC Mk III hatchback (EC, ED, EE) 1.3 16 V (EC8) CAT motor pe benzina 1989 1991 55 75 benzina
6 HONDA CIVIC Mk III hatchback (EC, ED, EE) 1.4 L (EC9) motor pe benzina 1987 1989 66 90 benzina
7 HONDA CIVIC Mk IV hatchback (EG) 1.5 i 16V (EG4) motor pe benzina 1991 1995 66 90 benzina
8 HONDA CIVIC Mk IV hatchback (MA, MB) 1.4 i (MA8, MB2) motor pe benzina 1994 2001 66 90 benzina
9 HONDA CIVIC Mk IV limuzina (EG, EH) 1.5 motor pe benzina 1993 1995 67 91 benzina
10 HONDA CIVIC Mk V hatchback (EJ, EK) 1.4 i S (EJ9) motor pe benzina 1995 2001 66 90 benzina
11 HONDA HR-V (GH) 1.6 16V 4WD motor pe benzina 1999 2016 77 105 benzina

Scrie o recenzie

    Nu-mi place           Imi place foarte mult