Meniu

0

0 RON

HELLA Disc frana 8DD 355 113-431

Producator
HELLA
HELLA
Produs
Disc frana 8DD 355 113-431
Disponibilitate
In stoc furnizor
Tip disc frâna plin
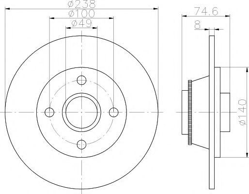
Diametru [mm] 238
Grosime disc frâna [mm] 8
Grosime minima [mm] 7
Înaltime [mm] 74,6
Asezare gauri/numar gauri 04/04
Diametru asezare gauri -? [mm] 100
Diametru de centrare [mm] 49
Diametru butuc roata 25
Greutate (în kg) 3,8
Articol completare/Info suplimentar 2 cu senzor ABS
Articol completare/Info suplimentar 2 cu rulment roata
Numar dinti , inel ABS 44
Numar informatii tehnice 54540
Producator Cod OEM
RENAULT 7700827865
RENAULT 7701204293
RENAULT 7701204294
RENAULT 7701204523
RENAULT 7701204901
RENAULT 7701208054
# Titlu Motorizare An inceput constructie An sfarsit constructie KW CP Combustibil
1 RENAULT CLIO Mk II (BB0/1/2_, CB0/1/2_) 1.2 motor pe benzina 2001 2016 55 75 benzina
2 RENAULT CLIO Mk II (BB0/1/2_, CB0/1/2_) 1.2 16V (BB05, BB0W, BB11, BB27, BB2T, BB2U, BB2V, CB05...) motor pe benzina 2001 2016 55 75 benzina
3 RENAULT CLIO Mk II (BB0/1/2_, CB0/1/2_) 1.5 dCi motor diesel 2004 2016 74 100 motor diesel
4 RENAULT CLIO Mk II (BB0/1/2_, CB0/1/2_) 1.5 dCi (B/C2J) motor diesel 2004 2016 50 68 motor diesel
5 RENAULT CLIO Mk II (BB0/1/2_, CB0/1/2_) 1.5 dCi (B/CB03) motor diesel 2001 2003 59 80 motor diesel
6 RENAULT CLIO Mk II (BB0/1/2_, CB0/1/2_) 1.5 dCi (B/CB08) motor diesel 2001 2016 60 82 motor diesel
7 RENAULT CLIO Mk II (BB0/1/2_, CB0/1/2_) 1.6 motor pe benzina 2004 2009 81 110 benzina
8 RENAULT CLIO Mk II (BB0/1/2_, CB0/1/2_) 1.6 Flex motor pe benzina 2000 2006 81 110 Benzina/Etanol
9 RENAULT CLIO Mk II (BB0/1/2_, CB0/1/2_) 1.6 Hi-Flex (CB0H) motor pe benzina 2005 2010 86 117 Benzina/Etanol
10 RENAULT CLIO Mk II (BB0/1/2_, CB0/1/2_) 2.0 16V Sport motor pe benzina 2004 2016 132 179 benzina
11 RENAULT CLIO Mk II (BB0/1/2_, CB0/1/2_) 2.0 16V Sport (CB0M) motor pe benzina 2000 2016 124 169 benzina
12 RENAULT MEGANE I (BA0/1_) 1.9 DCi motor diesel 1999 2003 77 105 motor diesel
13 RENAULT MEGANE I (BA0/1_) 2.0 16V (BA0H) motor pe benzina 1996 2003 108 147 benzina
14 RENAULT MEGANE I Classic (LA0/1_) 1.4 16V (LA0D, LA1H, lA0W, LA10) motor pe benzina 1999 2003 70 95 benzina

Scrie o recenzie

    Nu-mi place           Imi place foarte mult