DELPHI Disc frana BG2081
- Producator
- DELPHI

- Produs
- Disc frana BG2081
- Disponibilitate
- In stoc furnizor
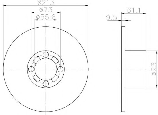
| Diametru [mm] | 214 |
|---|---|
| Tip disc frâna | plin |
| Grosime disc frâna [mm] | 9,6 |
| Grosime minima [mm] | 8,6 |
| Numar gauri | 4 |
| Diametru de centrare [mm] | 55,6 |
| Specificatii de asamblare | insurubat |
| Adâncime (mm) | 61,2 |
| Producator | Cod OEM |
| AUSTIN | 21A2612 |
| ROVER | 21A2612 |
| ROVER | 21A2612EVA |
| ROVER | 39726321 |
| INNOCENTI | 557201310 |
| INNOCENTI | 5572O131O |
| INNOCENTI | 6557201310 |
| ROVER | 6557201310 |
| INNOCENTI | 65572O131O |
| ROVER | 65572O131O |
| ROVER | GBD806 |
| ROVER | GBD8O6 |
| AUSTIN | GBD90806 |
| ROVER | GBD90806 |
| AUSTIN | GBD9O8O6 |
| ROVER | GBD9O8O6 |





























