TRW Disc frana DF2606
- Producator
- TRW

- Produs
- Disc frana DF2606
- Disponibilitate
- In stoc furnizor
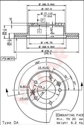
| Tip disc frâna | ventilat |
|---|---|
| Diametru [mm] | 276 |
| Grosime disc frâna [mm] | 21,6 |
| Grosime minima [mm] | 20 |
| Diametru de centrare [mm] | 77 |
| Înaltime [mm] | 65,6 |
| Numar gauri | 5 |
| Dimensiune filet | 12,4 |
| Diametru asezare gauri -? [mm] | 114 |
| Producator | Cod OEM |
| MAZDA | FB0533251 |





























