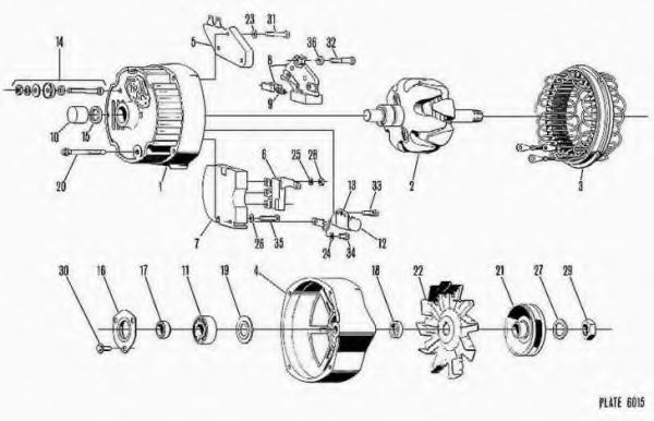
DELCO REMY Generator / Alternator 1101102
- Producator
- DELCO REMY

- Produs
- Generator / Alternator 1101102
- Disponibilitate
- In stoc furnizor
| Versiune | Serie: 27SI (200) |
|---|---|
| Tensiune [V] | 12 |
| Curent de incarcare generator [A] | 65 |
| Directia de rotatie | rotatie contrar acelor de ceasornic |
| Cod rulment | RB |
| Producator | Cod OEM |
| MACK | 2132X10459069 |
| VOLVO | 3134788 |
| INTERNATIONAL HARV. | 587606C91 |
| INTERNATIONAL HARV. | 587607C91 |
| # | Producator | Imagine | Cod piesa | Titlu | Pret |
|---|---|---|---|---|---|
| 1 | DELCO REMY |
|
1101102 | Generator / Alternator | Solicita oferta |
| 2 | PRESTOLITE ELECTRIC |
|
A0012500LC | Generator / Alternator | Solicita oferta |
| # | Titlu | Motorizare | An inceput constructie | An sfarsit constructie | KW | CP | Combustibil |
|---|





























