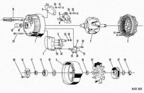
DELCO REMY Generator / Alternator 1105461
- Producator
- DELCO REMY

- Produs
- Generator / Alternator 1105461
- Disponibilitate
- In stoc furnizor
| Versiune | Serie: 27SI (200) |
|---|---|
| Tensiune [V] | 12 |
| Curent de incarcare generator [A] | 65 |
| Directia de rotatie | rotatie contrar acelor de ceasornic |
| Cod rulment | RB |
| Producator | Cod OEM |
| VOLVO | 02-7014933 |
| VOLVO | 02-7014934 |
| MACK | 2132X10463074 |
| CUMMINS | 213301 |
| CUMMINS | 213302 |
| MACK | 2MJ4112P1 |
| INTERNATIONAL HARV. | 375057R91 |
| VOLVO | V1114260 |
| VOLVO | V1114262 |
| # | Titlu | Motorizare | An inceput constructie | An sfarsit constructie | KW | CP | Combustibil |
|---|





























