Meniu

0

0 RON

METELLI Set articulatie, planetara 15-1275

Producator
METELLI
METELLI
Produs
Set articulatie, planetara 15-1275
Disponibilitate
In stoc furnizor
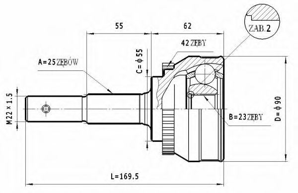
Tip articulatie Articulatie planetara
Dantura exterioara parte roata 25
Dinti interior, spre roata 23
Diametru simering [mm] 55
Numar dinti , inel ABS 42
Diametru exterior [mm] 90
Prelucrat mecanic cu cavitate in piesa interna
Material cauciuc
Producator Cod OEM
NISSAN 39100-60Y10
NISSAN 39100-60Y15
NISSAN 39100-61Y16
NISSAN 39100-62Y00
NISSAN 39100-62Y10
NISSAN 39100-62Y15
NISSAN 39100-63Y10
NISSAN 39100-63Y11
NISSAN 39101-60Y10
NISSAN 39101-60Y15
NISSAN 39101-61Y17
NISSAN 39101-62Y00
NISSAN 39101-62Y10
NISSAN 39101-62Y15
NISSAN 39101-62Y16
NISSAN 39101-63Y11
NISSAN 39101-63Y15
NISSAN 39211-60Y10
# Titlu Motorizare An inceput constructie An sfarsit constructie KW CP Combustibil

Scrie o recenzie

    Nu-mi place           Imi place foarte mult